SKU: PB3KAAGHT-5
11,440,000đ
14,300,000đ
-20%
Công tơ điện tử 3 pha Elster A1700 1(1.2)A là thiết bị đo đếm điện năng có độ chính xác cao, được sử dụng rộng rãi trong nhà máy, khu công nghiệp, trạm biến áp và hệ thống điện công nghiệp.
Sản phẩm hỗ trợ đo điện trực tiếp hoặc gián tiếp, có khả năng hiển thị nhiều thông số điện năng và hỗ trợ đo đếm từ xa.
NHẬP THÔNG TIN ĐỂ ĐƯỢC TƯ VẤN
Công tơ điện tử 3 pha Elster A1700 1(1.2)A


Đo đếm điện năng trực tiếp hoặc gián tiếp
Hỗ trợ nhiều biểu giá điện
Màn hình hiển thị ma trận đa điểm 2 dòng
Có 2 khe cắm Module mở rộng
Hỗ trợ chức năng đo đếm và truyền dữ liệu từ xa
Thiết kế độ an toàn cao
Các thanh ghi thời gian sử dụng điện (biểu giá)
Các thanh ghi biểu đồ phụ tải
Thời gian tích phân có thể lập trình từ 1 đến 60 phút
.png)
Công tơ điện tử 3 pha Elster A1700 hoạt động dựa trên nguyên lý đo điện năng thông qua việc thu thập tín hiệu điện áp và dòng điện trong hệ thống điện.
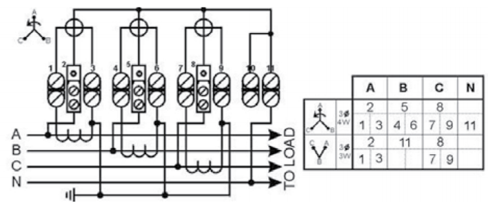
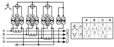
Đối với loại A1700 1(1.2)A, công tơ thường được đấu gián tiếp qua biến dòng CT.
Quy trình hoạt động:
1. Công tơ nhận tín hiệu điện áp từ hệ thống điện
2. Nhận tín hiệu dòng điện từ biến dòng CT
3. Bộ vi xử lý trong công tơ tính toán công suất và điện năng tiêu thụ
4. Dữ liệu được hiển thị trên màn hình LCD và lưu trữ trong bộ nhớ
Điện năng tiêu thụ được tính theo công thức:
Điện năng (kWh) = Công suất (kW) × Thời gian (h)
Thiết bị công tơ điện tử 3 pha elster a1700 1(1.2)A sẽ được bảo hành 18 tháng kể từ ngày giao hàng và 1 đổi 1 trong vòng 12 tháng nếu có lỗi của nhà sản xuất. Ngoài ra trong hộp công tơ sẽ có đi kèm với sách hướng dẫn sử dụng, nếu quý khách hàng chọn mua hàng có kiểm định tại đơn vị thứ 3 (như ETC2, hoặc Quates 3, ETC1, Quates 1) sẽ đi kèm với giấy chứng nhận kiểm định.
Ngoài công tơ điện tử 3 pha Elster A1700, chúng tôi còn cung cấp nhiều thiết bị đo đếm và thiết bị điện khác như:
- Công tơ điện tử EMIC 1 pha, 3 pha
- Công tơ điện tử ME40, ME-41, ME-42
- Biến dòng CT đo lường
- Thiết bị đóng cắt, cầu dao, CB điện
- Các thiết bị đo lường và quản lý điện năng.
Quý khách có thể tham khảo thêm nhiều sản phẩm khác tại website để lựa chọn thiết bị phù hợp với nhu cầu sử dụng.
👉 Liên hệ với thiết bị điện TUẤN KHANG để được tư vấn kỹ thuật, báo giá và hỗ trợ lựa chọn thiết bị điện phù hợp cho hệ thống của bạn.
Cám ơn bạn đã gửi đánh giá cho chúng tôi! Đánh giá của bạn sẻ giúp chúng tôi cải thiện chất lượng dịch vụ hơn nữa.
CAM KẾT TỪ CHÚNG TÔI
Sản Phẩm Đã Xem
11,440,000đ
14,300,000đ
ĐÁNH GIÁ SẢN PHẨM